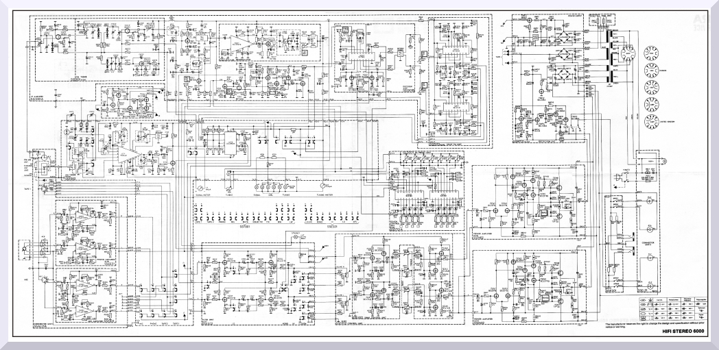
SALORA HIFI STEREO 6000 KYTKENTÄKAAVIOT

VAHVISTIMET JA VIRITTIMET

NAUHURI