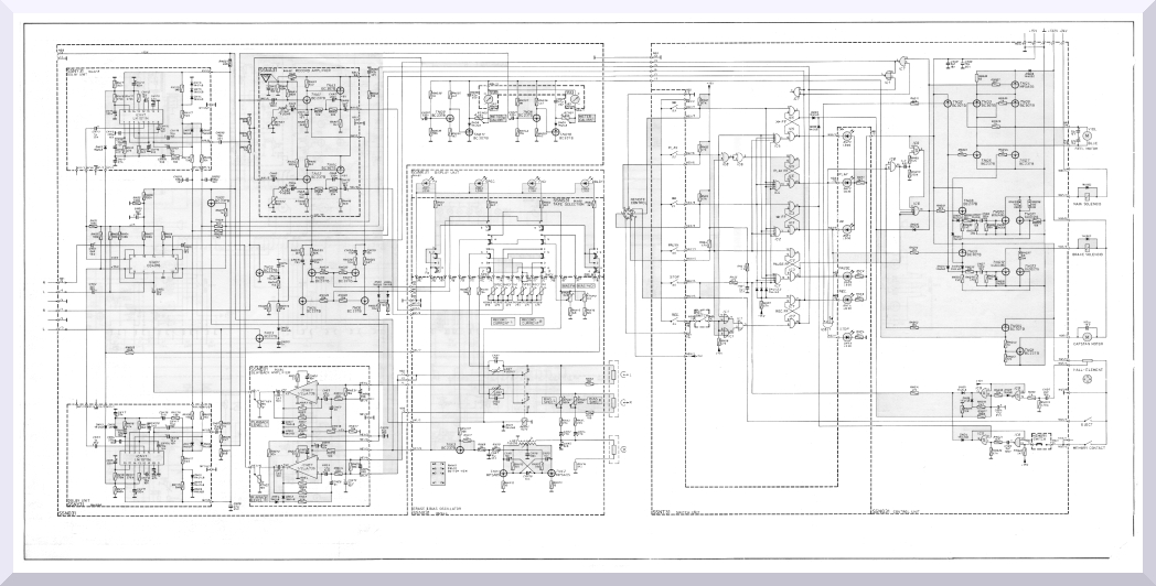
SALORA HIFI STEREO 6600 KYTKENTÄKAAVIOT

VAHVISTIMET JA VIRITTIMET

NAUHURI